建筑工程項目管理軟件
當前位置首頁 > 軟件系統知識 > 建筑工程項目管理軟件
-
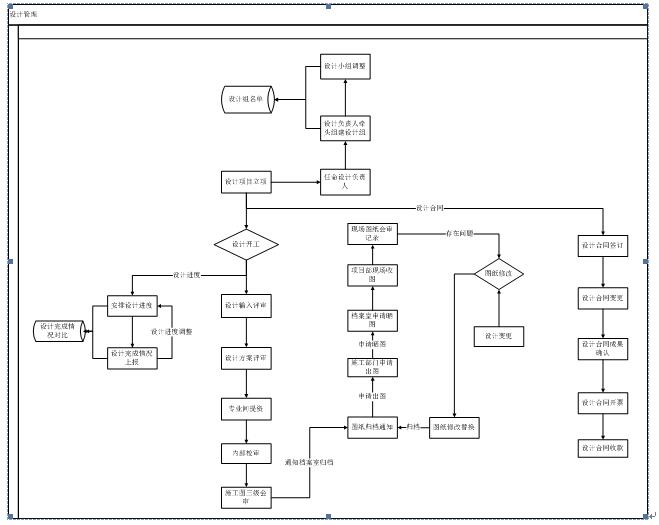
工程建設項目管理軟件是一種標準化的工程項目管理軟件,可以幫助企業完成:工程建設項目管理軟件的使用,公司可以準確地制定項目任務,每個任務的順序可以科學地安排,資源的應用可以有效地分配,特別是關鍵資源和關鍵資源的項目,以確保項目的順利實施,有效降低項目成本。...
2022-09-21
-
無論你在哪里,只要登錄項目管理系統,使用即時通信功能就可以快速找到對方進行溝通。無論你在哪里,只要登錄項目管理系統,使用即時通信功能就可以快速找到對方進行溝通。因此,在項目管理系統中擴展或集成一些專業業務系統,如集成CRM、ERP、采購管理、人力資源管理等,逐漸成為越來越多企業用戶的必要要求。...
2022-05-09
-
對于大多數企業來說,一個好的項目管理系統應該集中精力(即將開發預算花在項目管理系統的前沿),我認為項目管理有三個前沿:項目進度(工期)、項目成本和項目質量。項目管理系統應在整個大項目計劃時間內將大項目工期進度分解為獨立的小項目時間,然后進行分配,防止項目工期出現問題時,快速查明哪個環節出現問題,避免影響整個項目進度。...
2022-05-09
-
采購庫存管理軟件。生成交貨通知時,根據供應商維度生成。提供發貨單維護功能,支持批量發貨,支持自動生成到貨。發貨單登記承運人、單號、發貨日期、運輸方式、發貨設備、發貨數量、發貨人聯系方式等信息。庫存細節應包括設備、品牌、型號、供應商、庫存單位、項目、采購數量、借用數量、商品數量、交貨數量、到達數量、可用數量、鎖定數量等信息,以滿足系統對庫存數據粒度的要求。...
2022-05-07
-
報告用戶根據工程狀態、時間等信息對項目進行匯總統計。系統開放期過后,由于城市建設需要、政府扶持政策等原因,需要增加計劃項目時,可以通過系統申請,經管理員審核后可以上報新項目。此外,地圖上不同類型的工程采用不同的符號標識,根據符號的顏色區分項目的當前進度,并提供相應的圖例。...
2022-05-07
-
建立了一個完整的數據庫。建立了物料數據庫,涵蓋企業中的所有材料數據,并按照具體規則編碼每種材料,實現材料信息的完整性。實施工程管理軟件后,可實現信息的實時共享和更新,提高各部門的工作效率。項目管理軟件加強了資金管理,加強了資金流的穩定性。...
2022-05-05
-
近年來,施工工藝周期持續減少,原輔材料和人力資本成本顯著增加,在一定程度上加劇了中小企業的市場競爭壓力。1依托項目管理軟件的實施,在提高中小企業市場競爭的整體實力方面發揮著關鍵作用。工程管理軟件在信息管理系統中占有關鍵地位,其突出的現代創新能力是中小企業智能管理的關鍵標志。...
2022-05-05
-
任何系統工具都會有自己獨特的功能,無論是個人還是團隊在選擇一款系統時,需要看清系統的功能有哪些,哪些功能是工程項目管理必須要使用的,哪些功能是多余的。所以在選擇工程項目管理系統時,一定要考慮到員工操作的難易程度,能夠讓員工很快上手的工具則可以幫助你節省大量的操作培訓時間,進而加快項目進度。...
2022-04-28
-
材料管理不僅可以實現企業材料設備的標準化管理,還可以通過內置設備比例功能(主要材料設備配置輔助材料、人工、機械數量和基準價格)為建立企業內部定額數據庫奠定數據基礎。系統支持定制項目文檔類型,便于建立標準化的文檔管理系統。...
2022-04-27
-
有效高效的項目管理對工程企業的品牌形象具有重要意義,無論是成本控制還是提高項目質量。項目管理系統的核心價值在于從材料、設備、成本、成本、資金流、發票、工期等方面有效控制項目的全生命周期。項目管理按項目生命周期進行控制,從項目前期跟蹤、投標到項目立項、施工、竣工、驗收等全生命周期進行控制。...
2022-04-26
-
在應用項目管理系統后,資金流與物流的同步記錄和數據的一致性。是一組能夠管理組織全部業務的應用集合,它通過“最佳流程實踐”扁平化組織流程,以統一的數據庫和信息技術架構實現生產、財務、人力資源、采購等部門的信息無縫集成”,項目管理系統的集成性,推動了物流、資金流、信息流的三流合一的實現。...
2022-04-21
-
加強項目管理的計劃控制,可以全面控制所有項目,確定時間節點和工作難點,然后有針對性地解決關鍵問題,使項目完成達到項目預期,降低項目成本,最大限度地提高項目效率。對于工程設計來說,在每年或每個時間節點制定本單位或本部分未來一年或一段時間的項目計劃是工作的第一步,也是實現項目管理的第一要素。...
2022-04-20
-
一般情況下,單項目管理考慮更多的是單個項目的盈利性和可行性,追求的是自身目標的實現,很少跟企業的戰略聯系起來,而多項目管理則側重于企業的戰略實現,其管理的重點在于企業眾多的項目能否與企業戰略目標一致并能有效地實現企業戰略,填補戰略與項目之間的缺口。...
2022-04-18
-
雖然建筑工程企業的項目管理越來越標準化,但不得不承認管理水平參差不齊等文藝存在。雖然我國項目管理工作有了很大的改進,但拖延工期、概算超支、質量差、效率低甚至沒有效益的項目仍占一定比例。項目法人的管理壓力、責任壓力、利益動力和行為約束力尚未得到落實。...
2022-04-18
-
為了有效地控制工程項目的成本,有必要密切控制每個環節的工作任務。為了有效地控制工程項目的成本,有必要密切控制每個環節的工作任務。嚴格執行限額設計,在保證功能要求的前提下,嚴格控制初步設計和概算;合同條款的每一項內容都與項目的實施和成本有關。...
2022-04-18
-
中小企業要不要上項目管理軟件?中小企業要不要上項目管理軟件?中小企業要不要上項目管理軟件?如果別人死于項目管理軟件,那么你就不聰明,沒有競爭對手。如果項目管理軟件供應商不幸退出,您的產品和服務問題。如果項目管理軟件供應商不幸退出,您的產品和服務問題。...
2022-04-15
-
這就是為什么最好的項目管理軟件通常有一個高度直觀的用戶界面,你可以自然地繼續管理項目,而不接受新系統的培訓。任何好的軟件開發人員都應該總是給你定制軟件功能的機會。事實上,一個專業的軟件開發團隊應該鼓勵你找到一種定制的產品來滿足你的需求,他們明白這可以使項目管理軟件對每個公司都是完美的。...
2022-04-15
-
下面將列出幾個常見的項目管理錯誤,幫助您比較、測量和改進項目管理系統。解決方案:制定良好的項目管理流程可以幫助您提高項目效率,及時捕捉項目實施過程中的各種問題,控制風險和項目管理系統。解決方案:提高靈活性,積極與項目支持者和參與者溝通。...
2022-04-14
-
建立計劃管理體系,加強計劃管理,使材料費、人工費、租賃費、分包費等控制在合理的范圍內。統計功能為決策分析提供依據,為公司領導提供輔助決策支持。通過業務體系的不斷完善,借助決策管理體系,對多個項目進行管理控制和綜合分析,通過系統的長期應用,幫助公司培養一批熟悉業務、懂管理、認可公司文化的核心團隊。...
2022-04-14
-
項目管理軟件是項目經理非常喜歡的軟件。他們的責任是領導團隊按時、高質量地完成所有工作,不超過預算實現項目目標。項目經理不僅是項目執行人,還參與項目需求確定、項目選擇、計劃直至結束的全過程,在時間、成本、質量、風險、合同、采購、人力資源等方面進行全面管理。...
2022-04-12
-
有很多人不知道如何選擇項目管理軟件,所以今天就讓金石項目管理軟件小編為大家詳細介紹一下。目前的管理系統有哪些問題?采購項目管理軟件的預算是多少?采購項目管理軟件的預算是多少?采購項目管理軟件的預算是多少?...
2022-04-12
-
因此,如何盡可能減少施工現場安全事故的發生,降低施工風險,提高,已成為當前建筑業安全管理的重要研究課題。一、施工現場安全管理系統開發設計原則。施工現場安全管理系統是施工企業和現場工人運行穩定性和可靠性的關鍵部分。...
2022-04-09
-
建設項目進度管理。是指編制工程項目各階段的工作內容、工作程序、持續時間和銜接關系的進度計劃,并將其付諸實施。金石軟件小編與大家分享建筑工程企業常見的施工進度管理問題:施工進度滯后導致甲方罰款。金石軟件項目管理系統軟件從項目招標、合同簽訂、施工、驗收、歸檔等方面形成流程管理。...
2022-04-08
-
施工管理是施工單位使用的一套有效的管理手段,以確保整個項目的順利進行,并盡可能節約成本。同時,通過對施工設備的有效管理,可以實現生產要素的優化配置和動態管理,實現施工單位經濟社會效益的雙重目標。眾所周知,在施工現場,有許多設備管理方法,如傳統的人工記錄、紙質記錄等管理模式。...
2022-04-07
-
成功的企業經理不僅要有智慧的頭腦,還要有前瞻性的市場,跟上信息時代的步伐。建筑裝飾公司為什么要使用企業管理軟件?市場環境使企業不斷創新,項目管理軟件就是其中之一。關注企業管理的運營商將使用最新的管理軟件來幫助其發展,而不是落后于思想,不愿嘗試新事物。...
2022-04-06


























